Light duty slewing ring bearing without gear 060 series
When designing a light-duty slewing bearing, several factors must be considered, including load capacity, operating temperature range, and space limitations. The bearing must be able to support the required load capacity while remaining compact and lightweight. The operating temperature range must also be considered, as the bearing must be able to operate in a wide range of temperatures without failure. Space limitations must also be taken into account, as the bearing must fit within the available space.

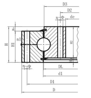
| Model | Wght | Dimensions | Mounting Dimensions | Clearance Axial | Clearance Radial | |||||||
| DL | kg | D | de | H | DI | D2 | na | φ | M | t | ||
| 060.20.0414 | 29 | 486 | 342 | 56 | 460 | 368 | 24 | 13.S | 12 | 20 | ≤0.28 | ≤0.24 |
| 060.20.0544 | 37 | 616 | 472 | 56 | 590 | 498 | 32 | 13.5 | 12 | 20 | ≤0.30 | ≤0.26 |
| 060.20.0644 | 44 | 716 | 572 | 56 | 690 | 598 | 36 | 13.5 | 12 | 20 | ≤0.30 | ≤0.26 |
| 060.20.0744 | 52 | 816 | 672 | 56 | 790 | 698 | 40 | 13.5 | 12 | 20 | ≤0.30 | ≤0.26 |
| 060.20.0844 | 60 | 916 | 772 | 56 | 890 | 798 | 40 | 13.5 | 12 | 20 | ≤0.30 | ≤0.26 |
| 060.20.0944 | 67 | 1016 | 872 | 56 | 990 | 898 | 44 | 13.5 | 12 | 20 | ≤0.30 | ≤0.26 |
| 060.20.1094 | 77 | 1166 | 1022 | 56 | 1140 | 1048 | 48 | 13.5 | 12 | 20 | ≤0.30 | ≤0.26 |
Light Type Slewing Bearing – The Ideal Solution for Your Agricultural Machinery
If you are looking for a reliable and efficient solution for your agricultural machinery, then our Light Type Slewing Bearing is the perfect choice for you. With its high load capacity and smooth rotation, this product is ideal for a wide range of agricultural applications, including harvesters, tractors, and other machinery.
Our Light Type Slewing Bearing is made from high-quality materials and is designed to withstand the toughest conditions. It is also easy to install and requires minimal maintenance, making it a cost-effective solution for your business.
So why wait? Contact us today to learn more about our Light Type Slewing Bearing and how it can help you improve your agricultural machinery and increase your profitability.




