Light type flange slewing bearing external gear 231 Series
Light-duty slewing bearings are a type of rotary bearing that can support axial, radial, and moment loads. They are commonly used in applications where space is limited and weight is a concern, such as in cranes, excavators, and wind turbines. Light-duty slewing bearings are designed to be compact and lightweight, yet still provide high load capacity and durability. They are typically made from high-strength steel and can be customized to meet specific application requirements.

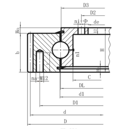
| Model | Wght | Dimensions(mm) | Mounting Dimensions(mm) | Structural Dimension | Gear data | Clearance Axial | Clearance Radial | |||||||||||||||||||
| DL | kg | D | de | H | DI | D2 | na | φ/M | ni | φ/M | t | n1 | D3 | d1 | C | Hu | Ho | d | m | z | b | k.m | Load allow KN | Load max KN | ||
| 231.20.0414 | 29.0 | 504 | 304 | 56 | 455 | 332 | 10 | M12 | 24 | 18 | 20 | 4 | 412.5 | 415.5 | 375 | 10.5 | 10.5 | 495 | 5 | 99 | 45.5 | -0.5 | 11.75 | 23.50 | ≤0.5 | ≤0.5 |
| 231.20.0544 | 39.2 | 640.8 | 434 | 56 | 585 | 462 | 14 | M12 | 28 | 18 | 20 | 4 | 542.5 | 545.5 | 505 | 10.5 | 10.5 | 630 | 6 | 105 | 45.5 | -0.5 | 14.2 | 28.40 | ≤0.5 | ≤0.5 |
| 231.20.0644 | 47.2 | 742.8 | 534 | 56 | 685 | 562 | 16 | M12 | 32 | 18 | 20 | 4 | 642.5 | 645.5 | 605 | 10.5 | 10.5 | 732 | 6 | 122 | 45.5 | -0.6 | 14.2 | 28.40 | ≤0.5 | ≤0.5 |
| 231.20.0744 | 53.1 | 838.8 | 634 | 56 | 785 | 662 | 18 | M12 | 32 | 18 | 20 | 4 | 742.5 | 745.5 | 705 | 10.5 | 10.5 | 828 | 6 | 138 | 45.5 | -0.6 | 14.2 | 28.40 | ≤0.5 | ≤0.5 |
| 231.20.0844 | 64.7 | 950.4 | 734 | 56 | 885 | 762 | 18 | M12 | 36 | 18 | 20 | 4 | 842.5 | 845.5 | 805 | 10.5 | 10.5 | 936 | 8 | 117 | 45.5 | -0.8 | 18.93 | 37.86 | ≤0.5 | ≤0.5 |
| 231.20.0944 | 69.1 | 1046.4 | 834 | 56 | 985 | 862 | 20 | M12 | 40 | 18 | 20 | 4 | 942.5 | 945.5 | 905 | 10.5 | 10.5 | 1032 | 8 | 129 | 45.5 | -0.8 | 18.93 | 37.86 | ≤0.5 | ≤0.5 |
| 231.20.1094 | 82.5 | 1198.4 | 984 | 56 | 1135 | 1012 | 22 | M12 | 40 | 18 | 20 | 4 | 1092.5 | 1095.5 | 1055 | 10.5 | 10.5 | 1184 | 8 | 148 | 45.5 | -0.8 | 18.93 | 37.86 | ≤0.5 | ≤0.5 |
Improve Your Equipment Performance with Our Light Type Slewing Bearing
Are you tired of dealing with equipment breakdowns and downtime? Our Light Type Slewing Bearing can help you improve your equipment performance and reduce your maintenance costs.
Our product is designed to provide high load capacity and smooth rotation, ensuring that your equipment operates at peak performance. It is also easy to install and requires minimal maintenance, making it a cost-effective solution for your business.
So why settle for less? Contact us today to learn more about our Light Type Slewing Bearing and how it can help you improve your equipment performance and increase your profitability.


