Light duty flange slewing bearing internal gear 232 Series
Light-duty slewing bearings offer several advantages over other types of bearings. They are compact and lightweight, which makes them ideal for applications where space and weight are limited. They also have a high load capacity and can support axial, radial, and moment loads. Light-duty slewing bearings are designed to be durable and long-lasting, even in harsh environments. They can be customized to meet specific application requirements, such as size, load capacity, and operating temperature range.

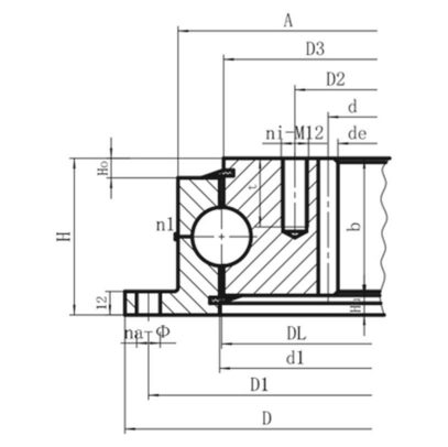
| Model | Wght | Dimensions(mm) | Mounting Dimensions(mm) | Structural Dimension | Gear data | Clearance Axial | Clearance Radial | |||||||||||||||||||
| kg | D | de | H | DI | D2 | na | φ/M | ni | φ/M | t | n1 | D3 | d1 | A | Hu | Ho | d | m | z | b | k.m | Load allow KN | Load max KN | |||
| 232.20.0414 | 26.9 | 518 | 326.5 | 56 | 490 | 375 | 16 | 18 | R | M12 | 20 | 4 | 412.5 | 415.5 | 453 | 10.5 | 10.5 | 335 | 5 | 67 | 45.5 | -0.5 | 13.54 | 27.1 | ≤0.5 | ≤0.5 |
| 232.20.0544 | 36.7 | 648 | 445.5 | 56 | 620 | 505 | 20 | 18 | 16 | M12 | 20 | 4 | 542.5 | 545.5 | 583 | 10.5 | 10.5 | 456 | 6 | 76 | 45.5 | -0.5 | 16.00 | 32.00 | ≤0.5 | ≤0.5 |
| 232.20.0644 | 43.4 | 748 | 547.5 | 56 | 720 | 605 | 24 | 18 | 18 | M12 | 20 | 4 | 642.5 | 645.5 | 683 | 10.5 | 10.5 | 558 | 6 | 93 | 45.5 | -0.6 | 15.62 | 31.2 | ≤0.5 | ≤0.5 |
| 232.20.0744 | 50.8 | 848 | 649.2 | 56 | 820 | 705 | 24 | 18 | 20 | M12 | 20 | 4 | 742.5 | 745.5 | 783 | 10.5 | 10.5 | 660 | 6 | 110 | 45.5 | -0.6 | 15.32 | 30.6 | ≤0.5 | ≤0.5 |
| 232.20.0844 | 61.3 | 948 | 737.6 | 56 | 920 | 805 | 28 | 18 | 20 | M12 | 20 | 4 | 842.5 | 8455 | 883 | 10.5 | 10.5 | 752 | 8 | 94 | 45.5 | -0.8 | 20.8 | 41.60 | ≤0.5 | ≤0.5 |
| 232.20.0944 | 65.4 | 1048 | 841.6 | 56 | 1020 | 905 | 32 | 18 | 22 | M12 | 20 | 4 | 942.5 | 945.5 | 983 | 10.5 | 10.5 | 856 | 8 | 107 | 45.5 | -0.8 | 20.49 | 41 | ≤0.5 | ≤0.5 |
| 232.20.1094 | 80.3 | 1198 | 985.6 | 56 | 1170 | 1055 | 32 | 18 | 24 | M12 | 20 | 4 | 1092.5 | 1095.5 | 1133 | 10.5 | 10.5 | 1000 | 8 | 125 | 45.5 | -0.8 | 20.16 | 40.3 | ≤0.5 | ≤0.5 |
High-Quality Light Type Slewing Bearing for Your Industrial Applications
At our company, we understand the importance of reliable and efficient equipment for your industrial applications. That’s why we offer a high-quality Light Type Slewing Bearing that is designed to meet your specific needs.
Our product is made from high-quality materials and is designed to withstand the toughest conditions. It is also easy to install and requires minimal maintenance, making it a cost-effective solution for your business.
So why wait? Contact us today to learn more about our Light Type Slewing Bearing and how it can help you improve your industrial applications and increase your productivity.



