Thin slewing ring bearing external gear 061 series
Light-duty slewing bearings are used in a wide range of applications, including cranes, excavators, wind turbines, and solar trackers. They are also used in industrial machinery, such as conveyor systems, packaging equipment, and robotics. Light-duty slewing bearings are ideal for applications where space and weight are limited, but high load capacity and durability are required. They can be customized to meet specific application requirements, such as size, load capacity, and operating temperature range.

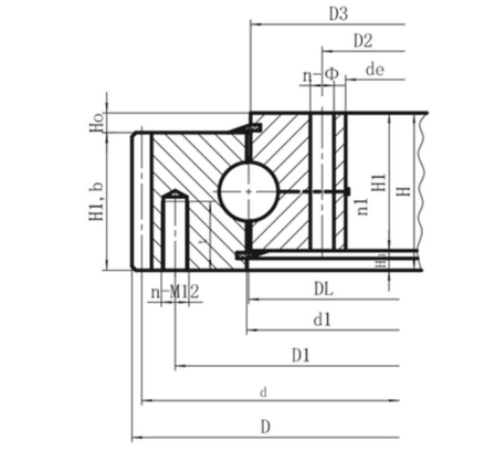
| Model | Wght | Dimensions(mm) | Mounting Dimensions(mm) | Gear data | Clearance Axial | Clearance Radial | |||||||||||||
| kg | D | de | H | DI | D2 | na | φ | M | t | d | m | z | k.m | b | Load allow KN | Load max KN | |||
| 061.20.0414 | 31 | 504 | 342 | 56 | 455 | 368 | 20/24 | 13.5 | 12 | 20 | 495 | 5, | 99 | -0.5 | 45.5 | 11.75 | 23.5 | ≤0.28 | ≤0.24 |
| 061.20.0544 | 43 | 640.8 | 472 | 56 | 585 | 498 | 28/32 | 13.5 | 12 | 20 | 630 | 6 | 105 | -0.6 | 45.5 | 14.2 | 28.4 | ≤0.30 | ≤0.26 |
| 061.20.0644 | 52 | 742.8 | 572 | 56 | 685 | 598 | 32/36 | 13.5 | 12 | 20 | 732 | 6 | 122 | -0.6 | 45.5 | 14.2 | 28.4 | ≤0.30 | ≤0.26 |
| 061.20.0744 | 59 | 838.8 | 672 | 56 | 785 | 698 | 36/40 | 13.5 | 12 | 20 | 828 | 6 | 138 | -0.6 | 45.5 | 14.2 | 28.4 | ≤0.30 | ≤0.26 |
| 061.20.0844 | 71 | 950.4 | 772 | 56 | 885 | 798 | 36/40 | 13.5 | 12 | 20 | 936 | 8 | 117 | -0.8 | 45.5 | 18.93 | 37.S6 | ≤0.30 | ≤0.26 |
| 061.20.0944 | 77 | 1046.4 | 872 | 56 | 985 | 898 | 40/44 | 13.5 | 12 | 20 | 1032 | 8 | 129 | -0.8 | 45.5 | 18.93 | 37.86 | ≤0.30 | ≤0.26 |
| 061.20.1094 | 91 | 1198.4 | 1022 | 56 | 1135 | 1048 | 44/48 | 13.5 | 12 | 20 | 1184 | 8 | 148 | -0.8 | 45.5 | 18.93 | 37.86 | ≤0.30 | ≤0.26 |
Light Type Slewing Bearing – The Key to Your Marine Applications
If you are looking for a reliable and efficient solution for your marine applications, then our Light Type Slewing Bearing is the perfect choice for you. With its high load capacity and corrosion-resistant design, this product is ideal for a wide range of marine applications, including cranes, winches, and other equipment.
Our Light Type Slewing Bearing is made from high-quality materials and is designed to withstand the toughest marine conditions. It is also easy to install and requires minimal maintenance, making it a cost-effective solution for your business.
So why wait? Contact us today to learn more about our Light Type Slewing Bearing and how it can help you improve your marine applications and increase your profitability.






