Four Row Cylindrical Roller Bearing 69FC46254W 70FC50460 72FC48290 72FC50250 72FC51370
|
Designations |
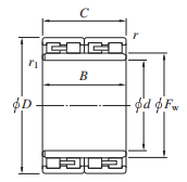
Boundary Dimensions |
Basic Load |
Mass(kg) |
|||
|
d |
D |
B |
C |
C0r |
Refer. |
|
| 69FC46254W |
343.052 |
457.098 |
254 |
3300 |
6190 |
112 |
| 70FC50460 |
350 |
500 |
460 |
8230 |
16500 |
296 |
| 72FC48290 |
360 |
480 |
290 |
4330 |
8510 |
145 |
| 72FC50250 |
360 |
500 |
250 |
4390 |
7340 |
145 |
| 72FC51370 |
360 |
510 |
370 |
5750 |
11000 |
241 |
| 72FC52380 |
360 |
520 |
380 |
7270 |
13700 |
270 |
| 74FC52380 |
370 |
520 |
380 |
6660 |
13200 |
257 |
| 74FC52400W |
370 |
520 |
400 |
5930 |
11900 |
268 |
| 74FC54400A |
370 |
540 |
400 |
6500 |
11500 |
311 |
| 75FC55400 |
375 |
545 |
400 |
7920 |
14500 |
315 |
| 76FC52280 |
380 |
520 |
280 |
4660 |
8550 |
173 |
| 76FC52290 |
380 |
520 |
290 |
4700 |
8840 |
181 |
| 76FC54300 |
380 |
540 |
300 |
5820 |
10100 |
222 |
| 76FC54340W |
380 |
540 |
340 |
5760 |
10300 |
256 |
| 76FC54360 |
380 |
540 |
360 |
6870 |
12900 |
266 |
| 76FC54380 |
380 |
540 |
400 |
7530 |
14300 |
287 |
| 76FC54400BW |
380 |
540 |
400 |
7560 |
14600 |
298 |
| 76FC544000W |
380 |
540 |
400 |
7560 |
14600 |
298 |
| 78FC55400A |
390 |
550 |
400 |
6430 |
12400 |
296 |
For more information , please contact our email : info@cf-bearing.com





